Jakie rowki dla oringów
Rowki montażowe dla oringów
Uszczelnienie statyczne
Jeśli uszczelnione części maszyny nie poruszają się względem siebie, uszczelnienie jest uszczelnieniem statycznym. Oringi idealnie sprawdzają się do uszczelnienia statycznego. Należy przestrzegać zalecanych wymiarów montażowych, aby zapewnić odpowiednie uszczelnienie.
Uszczelnienie statyczne, zabudowa promieniowa
Przy tego rodzaju montażu przekrój oringu jest ściskany w kierunku promieniowym. Rowek na oring znajduje się na wewnętrznej lub zewnętrznej części komponentu.

Uszczelnienie statyczne, zabudowa promieniowa, uszczelnienie wewnętrzne

Uszczelnienie statyczne, zabudowa promieniowa, uszczelnienie zewnętrzne
Wymiary szczelin w uszczelnieniu statycznym przy ściskaniu promieniowym
Uwaga: Wartości podawane w tabeli są orientacyjne i muszą być sprawdzone w konkretnym zastosowaniu. Media, temperatura i zabudowa mogą prowadzić do zamiany tych wartości
Uszczelnienie statyczne, zabudowa osiowa (uszczelnienie kołnierzowe)
Przy tego rodzaju montażu przekrój oringu jest ściskany w kierunku osiowym. Jeśli ciśnienie działa od wewnątrz, oring powinien stykać się z zewnętrzną średnicą rowka i być lekko ściśnięty od około 1% do maksymalnie 3%. Jeśli ciśnienie działa z zewnątrz, oring powinien stykać się z wewnętrzną średnicą rowka i być lekko rozciągnięty (do maks. 6%).

Uszczelnienie statyczne, zabudowa osiowa od wewnątrz (uszczelnienie kołnierzowe)

Uszczelnienie statyczne, zabudowa osiowa od zewnątrz
Wymiary szczelin w uszczelnieniu statycznym przy ściskaniu osiowym
Uwaga: Wartości podawane w tabeli są orientacyjne i muszą być sprawdzone w konkretnym zastosowaniu. Media, temperatura i zabudowa mogą prowadzić do zamiany tych wartości
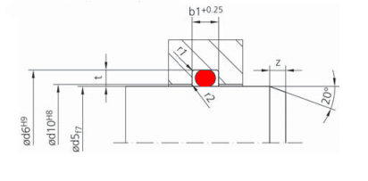
Uszczelnienie statyczne, rowek trapezowy
Specjalna geometria trapezowego rowka, której wykonanie jest kosztowne, uniemożliwia wypadnięcie oringu po zamontowaniu. Z tego powodu rowek trapezowy jest korzystny, np. W przypadku instalacji napowietrznych lub w częściach maszyn, które regularnie otwierają się i zamykają.

Uszczelnienie statyczne, rowek trapezowy
Wymiary szczelin w uszczelnieniu statycznym, rowek trapezowy
Uwaga: Wartości podawane w tabeli są orientacyjne i muszą być sprawdzone w konkretnym zastosowaniu. Media, temperatura i zabudowa mogą prowadzić do zamiany tych wartości
Uszczelnienie statyczne, trójkątny rowek
Zwykle zalecamy prostokątny rowek montażowy dla uszczelek typu oring. Względy konstrukcyjne mogą czasami wymagać uszczelnienia osłon lub narożników w takim przypadku stosuje się tzw, trójkątne rowki. Ścisłe trzymanie się tolerancji jest w tym przypadku warunkiem wstępnym dla bezpiecznego i odpowiedniego działania.

Uszczelnienie statyczne, rowek trójkątny
Wymiary szczelin w uszczelnieniu statycznym, rowek trójkątny
Uwaga: Wartości podawane w tabeli są orientacyjne i muszą być sprawdzone w konkretnym zastosowaniu. Media, temperatura i zabudowa mogą prowadzić do zamiany tych wartości
USZCZELNIENIE Statyczne próżniowe
Zalecenia dotyczące próżniowego uszczelniania są nieco inne niż dla standardowych uszczelnień:
- jakość powierzchni wszystkich powierzchni uszczelniających musi być wyraźnie lepsza
- przestrzeganie zalecanych wymiarów montażowych zapewnia większe napięcie wstępne oringa, a przekrój oringu wypełnia prawie całkowicie rowek. Droga dyfuzji gazu przez elastomer staje się dłuższa
- całkowity współczynnik przecieku można zmniejszyć, stosując dwa uszczelnienia typu oring jeden po drugim oraz smar próżniowy
- oringi z kauczuku fluorowego (FKM, Viton) wykazały doskonałe wyniki w wielu zastosowaniach do uszczelniania próżniowego

Uszczelnienie statyczne próżniowe
Wymiary szczelin w uszczelnieniu statycznym próżniowym
Uwaga: Wartości podawane w tabeli są orientacyjne i muszą być sprawdzone w konkretnym zastosowaniu. Media, temperatura i zabudowa mogą prowadzić do zamiany tych wartości
Uszczelnienie dynamiczne
Jeśli uszczelnione części maszyny poruszają się względem siebie, uszczelnienie jest uszczelnieniem dynamicznym. Z powodu tarcia, ściśnięcie przekroju oringu jest mniejsze w uszczelnieniu dynamicznym niż w uszczelnieniu statycznym. Należy przestrzegać zalecanych wymiarów montażowych, aby zapewnić niezawodne uszczelnienie.
Uszczelnienie dynamiczne, zabudowa promieniowa, układy hydrauliczne
Pierścienie uszczelniające typu oring w układach hydraulicznych są stosowane do ruchu posuwisto-zwrotnego, czasem także do ruchów śrubowych. Są szczególnie przydatne, gdy dostępna jest tylko niewielka przestrzeń montażowa. Gdy wymagane są większe wymagania dotyczące uszczelnienia i mniejsze tarcie, należy sprawdzić, czy można zastosować specjalne uszczelnienia tłoka lub tłoczyska.

Uszczelnienie dynamiczne, zabudowa promieniowa, zewnętrzne w układach hydraulicznych

Uszczelnienie dynamiczne, ściskanie promieniowe, wewnętrzne w układach hydraulicznych
Wymiary szczelin w uszczelnieniu dynamicznym przy ściskaniu promieniowym w układach hydraulicznych
Uwaga: Wartości podawane w tabeli są orientacyjne i muszą być sprawdzone w konkretnym zastosowaniu. Media, temperatura i zabudowa mogą prowadzić do zamiany tych wartości
Uszczelnienie dynamiczne, zabudowa promieniowa, układy pneumatyczne
Uszczelnienia typu oring w układach pneumatycznych są stosowane do ruchów posuwisto-zwrotnych. W porównaniu z zastosowaniami hydraulicznymi, ściśnięcie przekroju oringu jest nieco mniejsze, aby utrzymać jak najniższy poziom tarcia.

Uszczelnienie dynamiczne, zabudowa promieniowa, zewnętrzne w układach pneumatycznych

Uszczelnienie dynamiczne, zabudowa promieniowa, wewnętrzne w układach pneumatycznych
Wymiary szczelin w uszczelnieniu dynamicznym przy ściskaniu promieniowym w układach pneumatycznych
Uwaga: Wartości podawane w tabeli są orientacyjne i muszą być sprawdzone w konkretnym zastosowaniu. Media, temperatura i zabudowa mogą prowadzić do zamiany tych wartości
Kiedy już wiesz, jak poprawnie zwymiarować rowek, następnym krokiem jest, abyś wybrał
Co to jest „rowek montażowy” i dlaczego ma znaczenie?
Rowek montażowy to wycięcie w elemencie, w którym osadzamy oring. Ma odpowiedni kształt i wymiary, żeby oring po włożeniu był lekko ściśnięty i tworzył szczelne połączenie. Źle zaprojektowany rowek = ryzyko przecieków, szybsze zużycie oringa lub jego wciśnięcie.
Podstawowy podział rowków — o co chodzi w praktyce?
-
Zabudowa promieniowa (radialna) — rowek w otworze lub na tłoczysku; oring uszczelnia w kierunku promieniowym. Typowe dla tłoków i tłoczysk.
-
Zabudowa osiowa — oring ściśnięty osiowo między dwiema płaskimi powierzchniami (np. pokrywa + korpus). Często stosowane w pokrywach i flanszach.
Powierzchnia rowka i tolerancje — dlaczego to wpływa na szczelność?
Powierzchnia kontaktu powinna mieć właściwą chropowatość (nie za szorstka, nie poza gładka). Niedokładności i ostre krawędzie mogą przeciąć oring podczas montażu, a zbyt szorstka powierzchnia zwiększa ścieranie. Stosowanie tabel wymiarowych i tolerancji producentów minimalizuje ryzyko.
Czy rowek dla zastosowań statycznych i dynamicznych się różni?
-
Statyczne (flansze, pokrywy): można zaprojektować silniejsze dociśnięcie.
-
Dynamiczne (tłoki, wały): stosuje się mniejsze dociśnięciei gładkie wykończenie powierzchni, by zmniejszyć tarcie i zużycie. Przy ruchu ważny jest też dobór materiału oringa i dopasowanie rowka.