Wibroizolatory maszynowe WM
Wibroizolatory maszynowe WM to fundament stabilności w każdym nowoczesnym zakładzie produkcyjnym. Charakteryzują się one unikalną, zamkniętą budową, dzięki czemu w branży często określa się je jako wibroizolatory daszkowe. Metalowa osłona (daszek) nie tylko chroni elastomer przed uszkodzeniami mechanicznymi, ale również przed bezpośrednim kontaktem z agresywnymi substancjami. Jeśli Twoje maszyny pracują w trudnych warunkach, seria WM to gwarancja bezpieczeństwa i bezawaryjności.
cechy
-
Pancerna budowa daszkowa: Metalowa obudowa skutecznie osłania rdzeń gumowy przed olejami, smarami, chłodziwami oraz iskrami.
-
Standardowa twardość 60 Shore A: Precyzyjnie dobrana twardość elastomeru (60 ShA) zapewnia optymalne ugięcie, co pozwala na skuteczne wygaszanie drgań o różnej częstotliwości.
-
Wielokierunkowe tłumienie: Specyficzny kształt wewnętrznego elementu gumowego sprawia, że wibroizolator radzi sobie doskonale zarówno z drganiami pionowymi, jak i siłami poprzecznymi (ścinającymi).
-
Zintegrowane zabezpieczenie przed wyrwaniem: Konstrukcja serii WM posiada wewnętrzny mechanizm blokujący, który zapobiega rozdzieleniu elementów przy nagłych przeciążeniach.
-
Trwałość i estetyka: Części metalowe są cynkowane galwanicznie, co zapewnia odporność na korozję i profesjonalny wygląd przez cały okres eksploatacji.
ELEMENTY GUMOWE (RUBBER PARTS)
-
Dostępne materiały: NR (Naturalna), SBR, CR (Chloropren), EPDM (do wyboru w zależności od środowiska pracy).
-
Twardość gumy: Dostępne warianty 45, 57 lub 70 Shore A.
-
Tolerancja twardości: +/- 5 Shore A.
ELEMENTY METALOWE (METAL PARTS)
-
Materiał: Wysokogatunkowa stal zgodna z normą DIN EN 10111-98.
-
Zabezpieczenie antykorozyjne: Powłoka cynkowa zgodna z DIN EN 12329-Fe // Zn // C Cr+3 (Zinc Coated).
Wibroizolatory daszkowe – dlaczego ochrona elastomeru jest kluczowa?
W środowisku przemysłowym guma jest narażona na wiele szkodliwych czynników. Wibroizolatory daszkowe serii WM rozwiązują ten problem dzięki stalowej kopule. Chroni ona serce izolatora przed zanieczyszczeniami, które w standardowych modelach mogłyby powodować parcenie lub kruszenie gumy. Dzięki temu żywotność izolacji w serii WM jest do 40% wyższa niż w przypadku zwykłych odbojników cylindrycznych.
Precyzja pracy i redukcja hałasu strukturalnego
Każdy wibroizolator maszynowy z tej serii działa jak filtr kinetyczny. Poprzez absorpcję energii drgań własnych maszyny, zapobiega ich przenoszeniu na fundamenty i ściany budynku. Przekłada się to na drastyczne obniżenie poziomu hałasu na hali produkcyjnej oraz poprawę dokładności pracy urządzeń – co jest kluczowe w przypadku precyzyjnych obrabiarek CNC czy pras.
Bezpieczeństwo montażu i stabilność statyczna
Wibroizolacja maszyn przy użyciu serii WM jest niezwykle prosta i bezpieczna. Dzięki szerokiej podstawie i centralnemu otworowi gwintowanemu, wibroizolatory te zapewniają pewne podparcie nawet przy maszynach o wysokim środku ciężkości. Są niezastąpione przy montażu agregatów prądotwórczych, silników spalinowych oraz ciężkich wentylatorów przemysłowych.
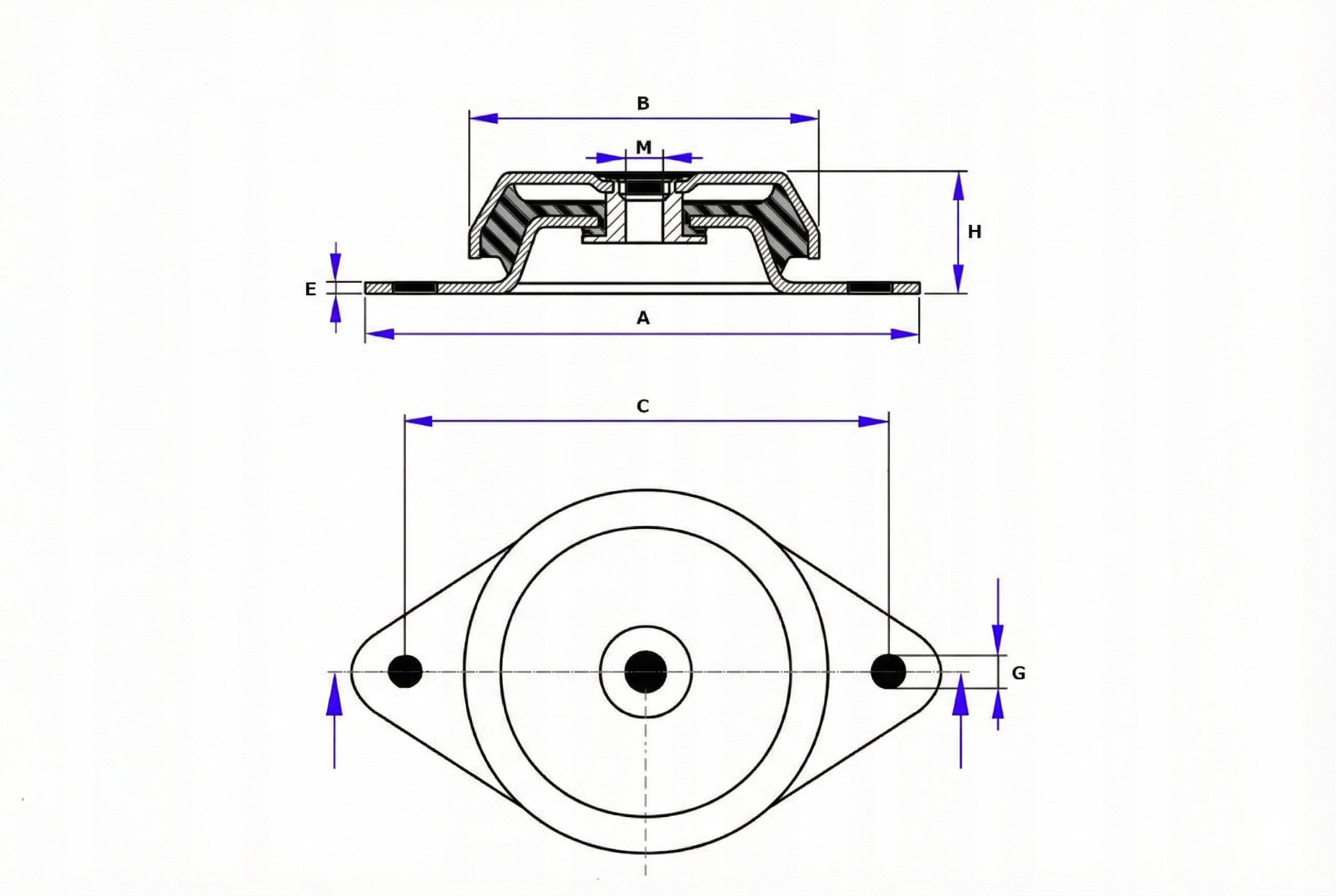
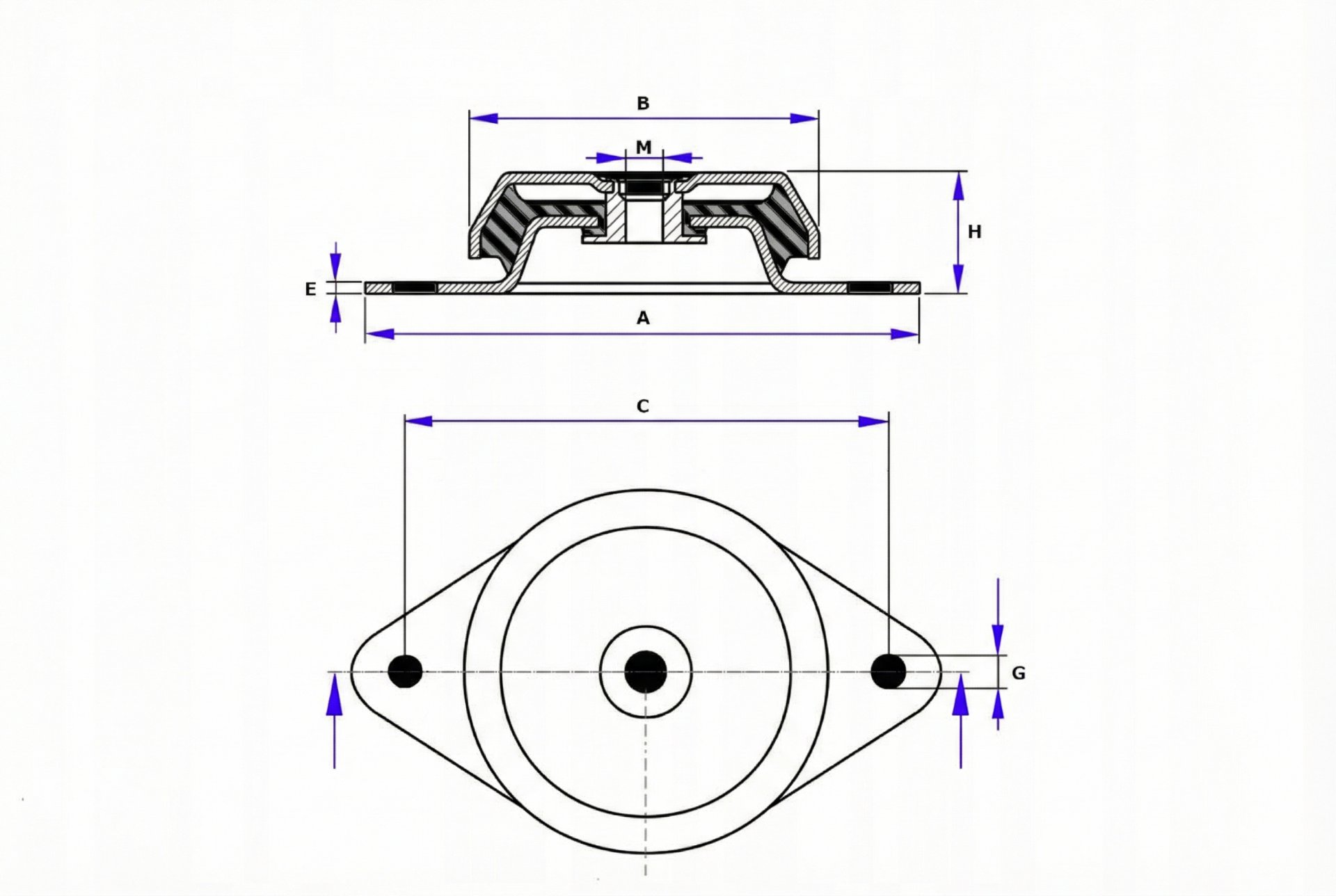
| Kod produktu | A (mm)
|
B (mm)
|
C (mm) | H (mm) | Cena brutto | Dostępność
|
Ilość | |
|---|---|---|---|---|---|---|---|---|
| WM62-M10 | 101 | 62 | 85 | 30 |
|
Wysyłka 24 h | ||
| WM92-M12 | 135 | 92 | 110 | 45 |
|
Wysyłka 24 h | ||
| WM119-M16 | 190 | 119 | 160 | 49 |
|
Wysyłka 24 h |
Wibroizolator typu WM to zaawansowany element tłumiący drgania, zaprojektowany do pracy w trudnych warunkach przemysłowych. Jego unikalna konstrukcja dzwonowa z metalową osłoną sprawia, że jest to jeden z najtrwalszych wibroizolatorów dostępnych na rynku.
Jest to idealne rozwiązanie do posadowienia maszyn generujących silne drgania, które wymagają stabilnego podparcia oraz zabezpieczenia przed siłami zrywającymi.
Dlaczego warto wybrać wibroizolator Typ WM?
-
Zabezpieczenie "Fail-Safe" (Przeciwzrywowe): Specjalna konstrukcja wewnętrzna blokuje elementy metalowe, uniemożliwiając zerwanie połączenia nawet przy wystąpieniu ekstremalnych przeciążeń (np. podczas transportu lub wstrząsów). Dzięki temu wibroizolator idealnie sprawdza się w aplikacjach mobilnych i na statkach.
-
Metalowa osłona ochronna: Górny kielich stalowy (czapeczka) osłania element gumowy przed szkodliwym działaniem czynników zewnętrznych: promieniowania UV, ozonu oraz kapiącego oleju, paliwa czy chłodziwa. Znacząco wydłuża to żywotność elementu elastycznego.
-
Stabilność pracy: Wibroizolator charakteryzuje się wyższą sztywnością w kierunku poziomym niż pionowym. Zapobiega to "pływaniu" maszyny na boki, zapewniając bezpieczną i stabilną pracę urządzenia.
-
Generatory prądotwórcze i agregaty.
-
Silniki wysokoprężne (Diesel) i elektryczne.
-
Sprężarki, kompresory i pompy.
-
Wentylatory przemysłowe i urządzenia klimatyzacyjne (HVAC).
-
Maszyny budowlane i urządzenia mobilne.

| Typ | A (mm) | Gwint (mm) | B (mm) | C (mm) | H (mm) | G (mm) | M (mm) | t (mm) | Obciążenie (kg) |
| WM62-M10 | 101 | M10 | 62 | 85 | 30 | 10.2 | 10 | 2 | 200 |
| WM92-M12 | 135 | M12 | 92 | 110 | 45 | 10.2 | 12 | 3 | 350 |
| WM119-M16 | 190 | M16 | 119 | 160 | 49 | 10.2 | 16 | 4 | 600 |
Ten model wibroizolatora wyróżnia się zaawansowaną konstrukcją, która oferuje więcej niż standardowe odbojniki walcowe:
-
Sztywność pozioma i pionowa: Konstrukcja zapewnia sztywność poziomą większą od pionowej. Dzięki temu wibroizolator doskonale stabilizuje maszyny, zapobiegając ich "pływaniu" na boki, jednocześnie skutecznie tłumiąc drgania pionowe.
-
Zabezpieczenie "Failsafe" (Bezpieczeństwo): Wibroizolatory te posiadają konstrukcję zabezpieczającą przed zerwaniem (wewnętrzny element blokujący). Sprawdzają się doskonale w aplikacjach mobilnych (np. na pojazdach) oraz tam, gdzie występują siły rozciągające.
-
Ochrona elementu gumowego: Górna metalowa osłona (czapeczka) chroni gumę przed szkodliwym działaniem promieni UV, ozonu oraz kapiącym olejem czy paliwem, co znacznie wydłuża żywotność elementu elastycznego.
-
Wszechstronność: Idealny zarówno do maszyn z elementami wirującymi (obrotowymi), jak i wykonującymi ruchy posuwisto-zwrotne.
| Odbiór osobisty | 0 zł |
| Paczkomat InPost | od 17 zł |
| Kurier InPost | od 25 zł |
| Kurier DPD | od 30 zł |
| Kurier InPost pobranie | od 28 zł |
| Kurier DPD pobranie | od 32 zł |
| Darmowa dostawa | od 500 zł |

